1314芸能界演艺圈张紫妍,潍坊村支书和妇联主任原视频,swag女主角十大排行

PRODUCRT
Effective promotion system equipment
>> N - TGD series
>> NSE series
>> NE series
>> TH type
Conveying system equipment
>> DS type
>> FU type
>> Xz type
>> Medium plate feeder
>> DJS, SJS type
>> SZ type
>> LSII type
Belt conveyor
>> TD75 type
>> DTII type
>> Big dip Angle belt conveyor
Bulk machine homogenization library system
>>
>>
>>
Environmental protection equipment
>> LMC long bag pulse filter
>> DMC type
>> PPW series
Valve series equipment
>> Electric pneumatic circular duct butterfly valve
>> Single and double spiral gate
>> The rods gate
>> Single, double chain lock the wind flap valve
>> Electric shutter valve adjustment
>>
>>
>>
>>
>>
>>
>>
>>
>>
>>
>>
>>
The detailed information
Your current location :home>>product>>The detailed information

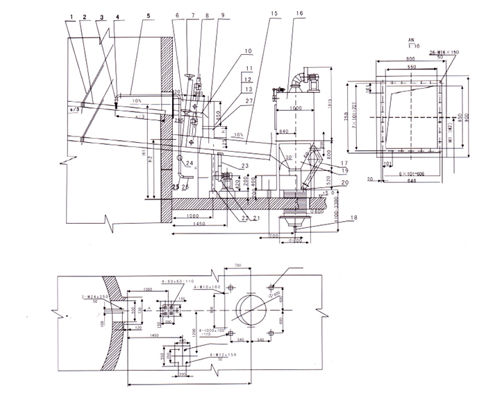
product: Bulk machine
product information:

Summary

Type Sz train and automobile bulk machine is mainly used for bulk cement,building materials, metallurgy, coal, chemical, food and other departments

The powdery material handling vehicle (ship). This series of products for nine three years by the provincial new product appraisal, nine four were rated asoutstanding new province

Products Jinniu award, outstanding new product gold. Technical indicators have reached the level of similar international products. This machine has the automatic control

System, discharge capacity, no dust pollution, material characteristics, has the advantages of simple structure, reliable full instructions and low cost etc..

 

 

 

 

 

 

close

www.mstfo.cn all rights reserved: anhui sanhe heavy industry machinery co., LTD

Sweep the qr code

主站蜘蛛池模板: 雷山县| 潞城市| 达州市| 江北区| 望江县| 阳谷县| 津南区| 吴江市| 铜鼓县| 句容市| 北川| 秦安县| 新和县| 宝鸡市| 南平市| 塔城市| 南宫市| 莱芜市| 保定市| 浦北县| 黄山市| 遵义市| 长汀县| 弥勒县| 杭锦后旗| 平武县| 筠连县| 穆棱市| 长沙市| 讷河市| 屏南县| 昌宁县| 元阳县| 烟台市| 肃宁县| 安丘市| 韶关市| 依兰县| 江源县| 衢州市| 滕州市|